Em nossa profissão tem dia que aparece cada defeito estranho onde não devemos estranhar pelo fato é estranho é software corrompido, estava com dois televisores da marca Philco modelo TV-PTV32G50SN,
Um de forma alguma conseguia instalar o APP Netflix, o outro estava com defeito na fonte não liga, após resolvida vi que o APP Netflix estava rodando perfeito.
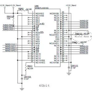
Efetuei todos os testes e atualizações no que não funcionava o APP, pensei vou resolver mais fácil, retirei a flash do que estava perfeito efetuei a cópia e passei para o que não funcionava o Netflix, problema resolvido, modelo utiliza placa principal conforme imagem abaixo;

Memória posição no circuito UM4, invólucro TSOP48, descrição TC58NVG2S0HTA00;

Dados segue link abaixo;
Matéria Laboratório
ELETRÔNICA GERAL – Nova Andradina MS