O televisor LG modelo 42LD460 de fato pode utilizar duas versões diferentes de tela, e as configurações específicas para cada uma delas estão gravadas na EEPROM, que no circuito deste modelo está identificada como IC1401.
Essa EEPROM armazena dados cruciais para o funcionamento correto da tela, incluindo informações de calibração e parâmetros operacionais que garantem a compatibilidade com a versão da tela instalada.
Se a EEPROM apresentar falhas ou se for necessário substituí-la, é essencial ter acesso ao firmware adequado e à programação correta que corresponda à versão exata da tela utilizada no televisor. Uma EEPROM incorretamente configurada pode resultar em problemas como imagem distorcida ou falta de exibição.
Abaixo link das duas versões de tela, memória eeprom,

Download do arquivo utilizado no Painel LC420WG-SCA1;
Download do arquivo utilizado no Painel LC420WUE.ABCA2;
Download do arquivo utilizado na Eeprom 24C16;
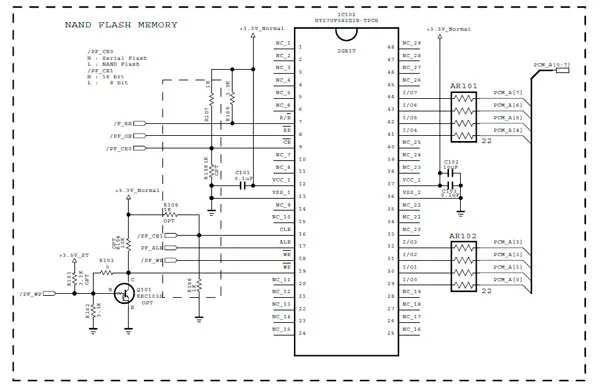
E o arquivo da memória flash confiavel, testado em pleno funcionamento,

Para realizar a substituição ou reprogramação, é recomendado o uso de equipamentos especializados para leitura e gravação da EEPROM / flash e seguir os procedimentos técnicos corretos, conforme indicado pelo manual de serviço do modelo.
Matéria Laboratório
ELETRÔNICA GERAL - Nova Andradina MS